HOBBY CIRCUITS

Relays and logic gates

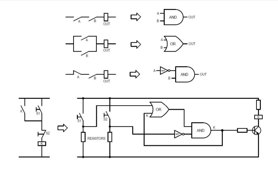
Though relays and logic gates are different components, they work in a comparable way. In this article you can see how I converted a relay based schematic into a logic gates diagram.

The relay logic circuit is supposed to operate a roll shutter motor and features two run buttons, two limit switches and a safety switch. When a button is pressed, even for a bit, the motor starts running; it will be stopped by the limit switch, or by pressing any button, so it works like a car window. The buttons feature a double function due to the relays K1 and K2, that are both off at the start condition. When a button is pressed, the relay K1 turns on. When it is released, the relays are both on. By pressing a button again, the relay K1 backs off, while the other one keeps on. By releasing the button, the relays are both off. This circuit schematic has been tested with a PLC ladder logic simulator.

Since they work in a similar way, I associated logic gates and relays connections. Series connections correspond to AND gates, while parallel connections correspond to OR gates; normally closed contacts can be compared to NOT gates.
Please note that the image below is just an example on how relay based circuits relate to logic gates; it doesn't matter with the circuit I'm talking about.

logic gates

Schematics
Video

Background image designed by macrovector_official / Freepik