HOBBY CIRCUITS

Shift register

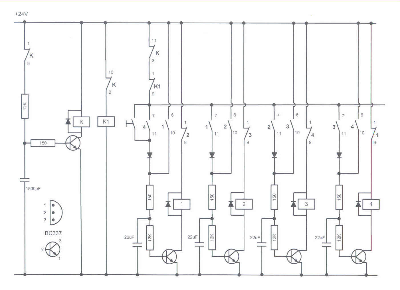
A kind of shift register consists of a strip of outputs activated one at a time by a manual or automatic clock signal. Here I share two possible solutions: the first one is based on relays, while the second one works by logic gates. Both circuits drive four outputs only, but obviously they can be extended.

Relay logic shift register

Once the circuit is supplied, the clock relays K-K1 turn on and off. By pressing the button, the shift register starts working. The contact 1-9 of the relay K1 opens exactly when each of the output relays turns on: in order to prevent an uncertain behavior, I used four small capacitors. Each diode prevents current backflow, otherwise the circuit would not work in the right way.

shift-register

Video on Youtube

Logic gates solution

This circuit works with a manual clock signal. Once it is supplied, the first output gets on, so it works like the CD4017 integrated circuit. The output of the gate number 1 gets high when the clock signal and the previous stage (output 0) are both on. To prevent the clock signal from activating all bits simultaneously, each of the gates 2, 4, 6 and 8 turns on if the previous stage is first activated. The gate number 8 turns off the stages 1, 2 and 3. This shift register has been tested with an online simulator.

Video on Youtube

Background image designed by macrovector_official / Freepik