HOBBY CIRCUITS

Security alarm

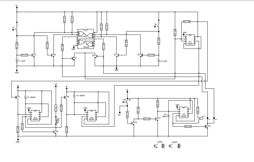
There are security systems of many types. Some of them are multirole systems, controlled by computers; obviously, they are quite expensive. Most commercially available burglar alarms, , feature wireless sensors and control systems. If you have to protect a small apartment, you may use a simple DIY security alarm, like that one in the schematic below. As you can see in the circuit diagram, this is not a wireless system. This security alarm works by logic gates and NE555 timers. If the ON-OFF contact is open, the Q11 collector sends the low level to the input pins of the IC2 timer. Since the output of that timer is high, the Q3-Q4 transistors keep down due to the Q12 collector, so the alarm doesn’t work. When the ON-OFF contact is closed, the output of the IC2 timer takes the low level, with time delay depending on the C5 capacitor. At this point, the security alarm is active and the LED turns on.

If a sensor changes condition, an output of the CD4030 integrated circuit turns on for a bit. By switching on, the IC1 timer turns off the Q7 transistor; the output pin of the IC3 timer gets high, with a time delay depending on the C3 capacitor. That output triggers the security alarm siren and switches off the Q9 transistor. When the IC4 timer turns on, the circuit backs to the start condition. In case of intrusion, this security alarm just triggers a sound signal, but it could be interfaced with a phone dialer, by connecting a relay to the siren terminals.
Video



Background image designed by macrovector_official / Freepik